

国家市场监督管理总局、国家标准化管理委员会于近日发布《高处作业分级》(GB 3608-2025),该标准将全面替代《高处作业分级》(GB/T 3608-2008),于2026年5月1日起正式实施。
该标准相较于《高处作业分级》(GB/T 3608-2008),已由推荐性标准升级为强制性国家标准。


一、最新标准亮点
1.客观危险因素方面调整
(1)删除内容
删除原标准中客观危险因素里的“风速”及“可能引起各种灾害事故的作业环境和抢救突然发生的各种灾害事故”相关内容,减少冗余且实践中难以统一界定的指标。
(2)新增内容
新增“作业场所光线不足和能见度差”的具体判定标准,明确为符合GB/T50034—2024中5.5.4规定的低于作业场所一般照明照度标准值的10%或低于15lx。
(3)调整内容
调整了高温作业引用标准、低温作业环境要求、危险电压带电体电压等级及体力劳动强度等级引用标准,让危险因素判定更贴合实际作业场景,更具可操作性。
2.分级体系
延用作业高度的分级框架,但通过A类法(无客观危险因素)、B类法(有客观危险因素)与调整后的客观危险因素精准匹配,使分级结果能更科学地反映不同作业环境下的风险程度,帮助企业更清晰地识别高处作业风险等级,进而针对性制定安全防护措施,提升作业安全管理的有效性。

二、主要内容
1.核心术语
(1)高处作业:距坠落高度基准面2m及以上,且存在坠落可能的作业。
(2)关键关联术语:包括坠落高度基准面(可能坠落范围最低水平面)、可能坠落范围(作业位置为中心的柱形空间)、基础高度(作业位置与周边最低处的高度差)等。
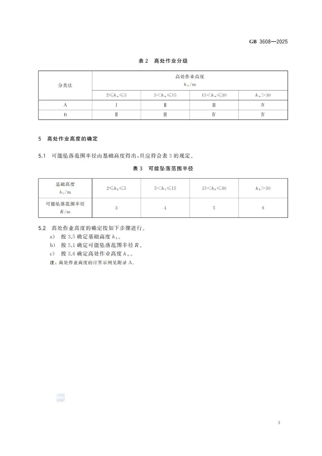
2.高处作业分级规则
(1)高度区段划分:分为2m~5m、大于5m~15m、大于15m~30m、大于30m四个区段。
(2)分级方式:
A类法:无客观危险因素时,对应四个高度区段分别为Ⅰ、Ⅱ、Ⅲ、Ⅳ级。
B类法:存在一种及以上客观危险因素时,对应四个高度区段分别为Ⅱ、Ⅲ、Ⅳ、Ⅳ级。
3.客观危险因素(10种)
包含5级以上风力、Ⅱ级及以上高温作业、平均气温≤5℃、接触冷水≤12℃、作业场地有易滑物等。
4.高处作业高度确定步骤
(1)确定基础高度(作业位置与周边最低处的高度差)。
(2)按基础高度确定可能坠落范围半径(2m~5m对应3m,5m~15m对应4m等)。
(3)取作业区各位置至坠落基准面垂直距离的最大值,即为高处作业高度。













































附件(点击下方链接即可自助下载)
宋老师2026年安全生产专项培训通知1-6月-中安宣培安易持.pdf





