

机密★启用前
2025年天津市普通高中学业水平等级性考试
物理
本试卷分为第Ⅰ卷(选择题)和第Ⅱ卷(非选择题)两部分,考试用时60分钟。第Ⅰ卷1至5页,第Ⅱ卷5至8页,共100分。
答卷前,考生务必将自己的姓名、准考号填写在答题卡上,并在规定位置粘贴考试用条形码。答卷时,考生务必将答案涂写在答题卡上,答在试卷上的无效。考试结束后,将本试卷和答题卡一并交回。
祝各位考生考试顺利!
第Ⅰ卷
注意事项:
1.每题选出答案后,用铅笔将答题卡上对应题目的答案标号涂黑。如需改动,用橡皮擦干净后,再选涂其他答案标号。
2.本卷共8题,每题5分,共40分。
一、单项选择题(每小题5分,共25分。每小题给出的四个选项中,只有一个选项是正确的)。
1.2025年5月我国成功发射通信技术试验卫星十九号,若该系列试验卫星中A、B两颗卫星均可视为绕地球做匀速圆周运动,轨道半径
,则卫星A比B( )
A.线速度小、角速度小B.线速度小、运行周期小
C.加速度大、角速度大D.加速度大、运行周期大
2.许多放射性元素要经过多次衰变才能达到稳定,衰变过程中既有
衰变也有
衰变。下列说法正确的是( )
A.元素发生
衰变后质量数增加
B.衰变过程中存在质量亏损
C.低温会增大放射性元素的半衰期
D.
衰变说明原子核内存在电子
3.一种名为“飞椅”的游乐设施如图所示,该设施中钢绳一端系着座椅,另一端系在悬臂边缘。绕竖直轴转动的悬臂带动座椅在水平面内做匀速圆周运动,座椅可视为质点,则某座椅运动一周的过程中( )

A.动量保持不变B.所受合外力做功为零C.所受重力的冲量为零D.始终处于受力平衡状态
4.如图所示,一定质量的理想气体可经三个不同的过程从状态A变化到状态C,则( )

A.
和
过程,外界对气体做功相同
B.
和
过程,气体放出的热量相同
C.在状态A时和在状态C时,气体的内能相同
D.在状态B时和在状态D时,气体分子热运动的平均动能相同
5.在进行双缝干涉实验时,用光传感器测量干涉区域不同位置的光照强度,可以方便地展示干涉条纹分布。a、b两束单色光分别经过同一双缝干涉装置后,其光照强度与位置的关系如图所示,图中光照强度极大值位置对应亮条纹中心,极小值位置对应暗条纹中心,上下两图中相同横坐标代表相同位置,则( )

A.a、b的光子动量大小相同B.a的光子能量小于b的光子能量
C.在真空中,a的波长大于b的波长D.通过同一单缝衍射装置,a的中央亮条纹窄
二、不单项选择题(每小题5分,共25分。每小题给出的四个选项中,都有多个选项是正确的。全部选对的得5分,选对但不全的得3分。选错或不答的得0分)。
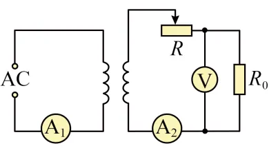
6.如图所示,理想变压器的原线圈接在电压有效值不变的正弦交流电源上,副线圈接有滑动变阻器和定值电阻,各电表均为理想交流电表。当滑动变阻器的滑动片向右滑动时,则( )

A.电流表
的示数变小B.电流表
的示数变小
C.电压表V的示数变大D.变压器的输入功率变大
7.位于坐标原点的波源从平衡位置开始沿y轴运动,在均匀介质中形成了一列沿x轴正方向传播的简谐波,P和Q是平衡位置分别位于
和
处的两质点,
时波形如图所示,此时Q刚开始振动,
时Q第一次到达波谷。则( )

A.该波在此介质中的波速为
B.波源开始振动时的运动方向沿y轴负方向
C.P的位移随时间变化的关系式为
D.平衡位置位于
处的质点在
时第一次到达波峰
8.如图所示,在一固定点电荷形成的电场中,一试探电荷仅在静电力作用下先后经过a、b两点,图中箭头方向表示试探电荷在a、b两点处的受力方向,则( )

A.a点电势一定高于b点电势B.试探电荷与场源电荷电性一定相同
C.a点电场强度一定大于b点电场强度D.试探电荷的电势能一定先减小后增大
第Ⅱ卷
注意事项:
1.用黑色墨水的钢笔或签字笔将答案填写在答题卡上。
2.本卷共4题,共60分。
9.某实验小组探究平抛运动的特点。
(1)实验采用图示装置,将白纸和复写纸重叠并固定在竖直背板上,钢球在斜槽中某一高度滚下,从末端水平飞出,落在挡板上,在白纸上挤压出一个痕迹点。移动挡板,重复实验,在白纸上留下若干痕迹点。为正确研究钢球运动的规律,将白纸从背板上取下前还应根据在白纸上标记竖直方向;

(2)利用手机和计算机可以方便地记录钢球做平抛运动的轨迹并分析其运动规律。该实验小组利用视频处理软件分析钢球某次平抛运动的录制视频,得到的水平位移和竖直位移随时间变化的图像如图所示。图中图线(选填“甲”或“乙”)为水平位移随时间变化的图线,此次钢球做平抛运动的初速度为米/秒。

10.某同学用伏安法测量电阻
的阻值(约为
)。除滑动变阻器、电源(电动势为
,内阻不计)、开关、导线外,还有下列器材可供选择:
A.电压表(量程
,内阻约为
)
B.电压表(量程
,内阻约为
)
C.电流表(量程
,内阻约为
)
D.电流表(量程
,内阻约为
)
(1)为使测量尽量准确,实验中电压表应选,电流表应选(均填器材前的字母代号);
(2)该同学连接好的电路如下图所示,闭合开关后,电流表和电压表的读数均为零,经排查,发现电路中的七条导线中混进了一条内部断开的导线。为了确定哪条导线断开,该同学用多用电表的直流电压挡测量电源正极a与接线柱b间电压,读数为零;测量a与接线柱c间电压,读数不为零,则可以确定导线内部断开(填图中导线编号);

(3)更换导线后进行实验,该同学测得多组电压数据U和电流数据I,描绘出
图像如图所示,测得图中直线的斜率为k,已知电压表的内阻为
,若考虑电压表内阻的影响,则
阻值的表达式为。

11.如图所示,半径为R= 0.45m的四分之一圆轨道AB竖直固定放置,与水平桌面在B点平滑连接。质量为m= 0.12kg的玩具小车从A点由静止释放,运动到桌面上C点时与质量为M= 0.18kg的静置物块发生碰撞并粘在一起,形成的组合体匀减速滑行x = 0.20m至D点停止。A点至C点光滑,小车和物块碰撞时间极短,小车、物块及组合体均视为质点,g取10m/s2,不计空气阻力。求:

(1)小车


通过网盘分享的文件:【免费下载】高考真题【天津】2025年高考天津卷物理高考真题解析(参考版)-A4答案卷尾word版含解析学生版教师版
链接: https://pan.baidu.com/s/1_xVO4pVDmFpina91Xrd-wQ?pwd=4321 提取码: 4321
--来自百度网盘超级会员v8的分享