
记得添加“星标”哦!每次有新文章推送,就会在第一时间提示。
大家好,我是小DEI学长
一个为众多考生提供考试资讯和备考干货的宝藏者
如果链接失效,麻烦添加微信,把资料发您
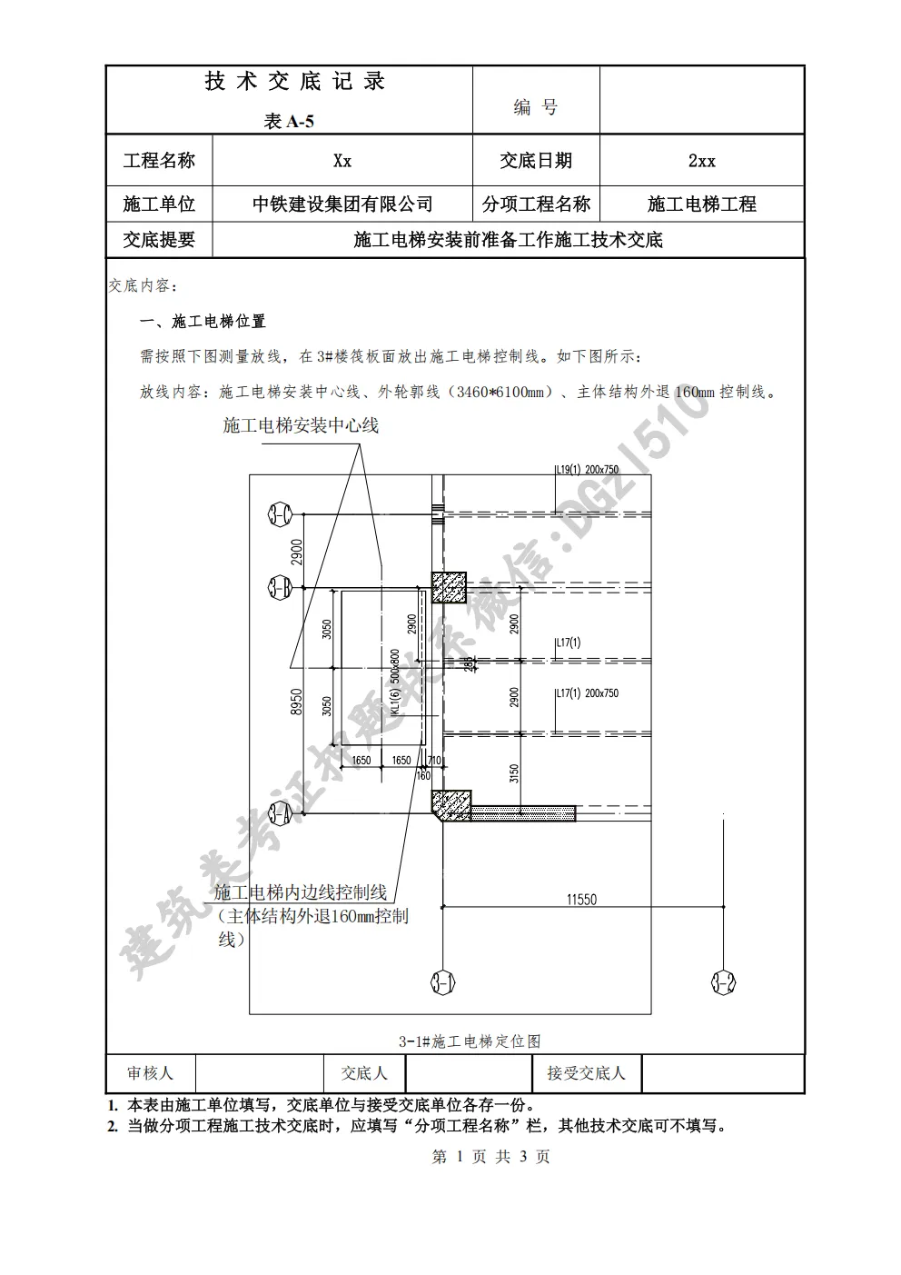
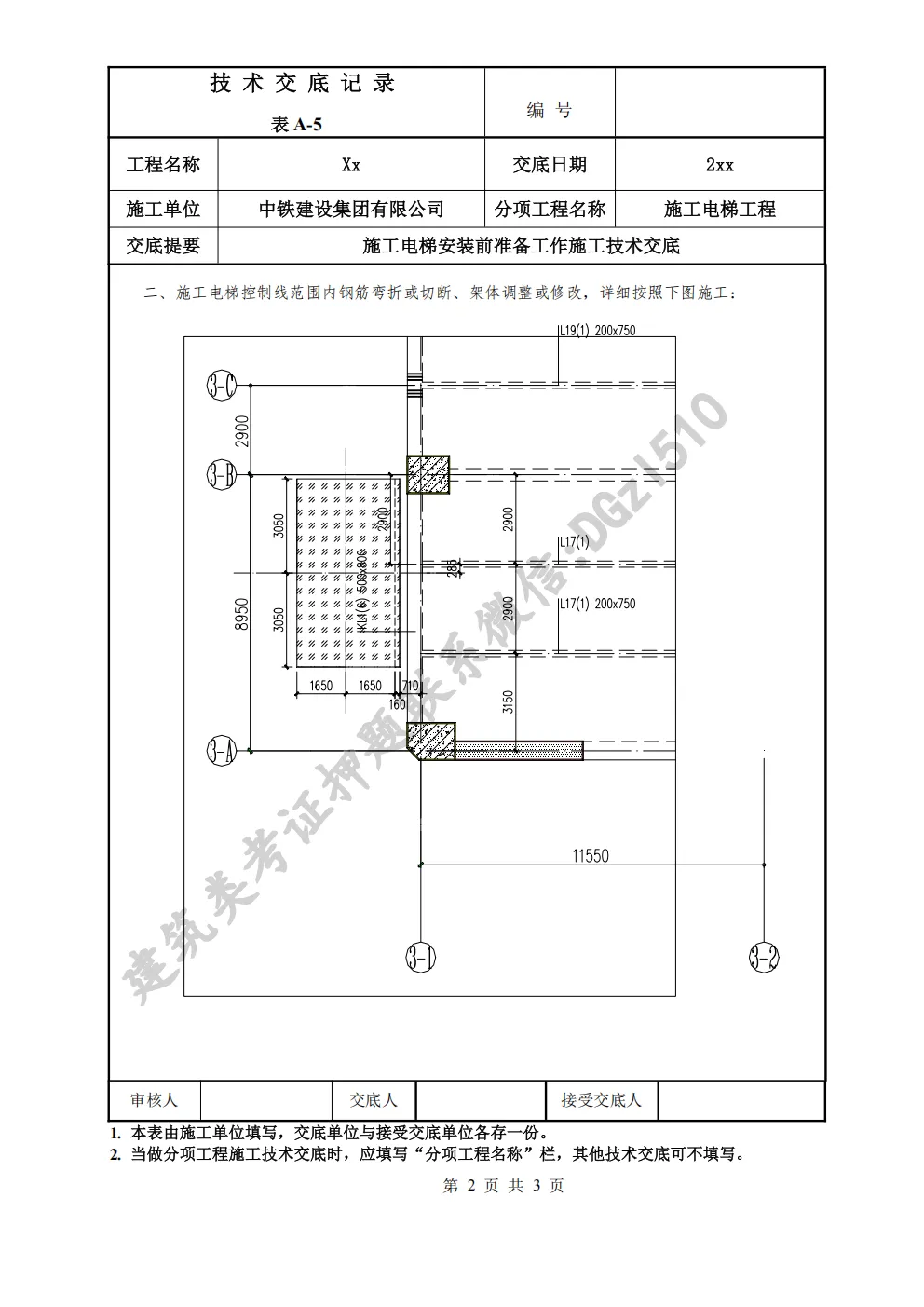
干工程的朋友都知道,施工电梯安装可不是小事,每一步都得严谨到位,技术交底更是重中之重,直接关系到现场安全和施工进度。
很多工友在现场容易忽略细节,要么流程记不全,要么规范不清晰,不仅影响效率,还存在安全隐患。这份施工电梯安装施工技术交底资料,把安装前准备、基础验收、导轨架安装、附着装置固定、电气系统调试等关键环节都梳理得明明白白。
从操作要点到安全注意事项,从人员分工到验收标准,全是现场能用的实用内容,没有多余空话,新手看完能快速上手,老工友对照也能查漏补缺✅。
不用再到处找资料、翻规范,这份整理好的交底内容,贴合实际施工场景,语言通俗易懂,拿去就能直接用在项目上,省心又靠谱👍。
做工程讲究安全第一、规范施工,把细节做扎实,才能少出问题、高效推进。下方可以直接领文件,希望能帮到每一位奔波在工地的同行🌟。
资料获取方式
温馨提示,如何下载?
领取电子版请拉到文末下载






版权说明
1.得DEI过资料铺提供的所有资源均是网上搜集或非商业交流学习之用!
2.得DEI过资料铺提供的所有资源严禁在任何商业盈利目的中使用,否则产生的一切后果将由您自己承担!
3.得DEI过资料铺提供的所有资源严禁任何色情、反动内容,一经发现、举报立即删除!
4.我们仅仅提供一个观摩学习的环境,将不对任何资源负法律责任!
5.所有资源请仅供学习,请在下载后12小时内删除。如果您觉得满意,请购买正版!
6.如果您认为有资源或描述信息侵犯了您的版权,请及时举报,我们将尽快为您处理!



