当前位置:首页>免费下载>注塑模具设计知识大全.pptx(免费下载)

注塑模具设计知识大全.pptx(免费下载)

  • 2026-05-28 16:56:28
注塑模具设计知识大全.pptx(免费下载)
注塑模具基本由动模和定模两部分组成,分别安装在注射机的移动与固定模板上,合模时构成型腔与浇注系统。
尽管模具因塑料品种、制品形状和注射机类型而异,但其基本结构一致,主要包括浇注系统、调温系统、成型零件和结构零件四大模块。
其中,浇注系统和成型零件直接与塑料接触,最为复杂且对加工光洁度与精度要求最高。设计伊始,需优先确定开模方向与分型线,以尽量减少抽芯机构并优化外观。
01、浇注系统的设计
浇注系统是将塑料熔体从喷嘴引入型腔的流道网络,包括主流道、冷料穴、分流道和浇口。
其设计直接关系到填充质量与生产效率。主流道需与喷嘴良好衔接,并带有锥度以便脱模。
分流道的布局应保证各型腔同时充满,其截面形状(如圆形、梯形)需平衡流动阻力与冷却效率。
浇口是整个系统中最小的截面,用于控制料流、提升熔体温度并便于制品分离,其形式(如点浇口、侧浇口)和位置需根据产品外观与结构慎重选择。
02、温度控制与排气设计
均匀有效的冷却对于保证制品尺寸稳定、防止变形至关重要。模具通常通过内部冷却水通道循环冷却,设计需遵循“厚壁优先冷却”原则,确保冷却均匀。
同时,排气系统不可或缺,用以排出型腔内的空气和熔体带入的气体,防止制品产生气孔、烧焦或充填不足。排气槽通常设在熔体末端,深度很浅(约0.02-0.05mm),也可利用顶杆间隙等进行排气。
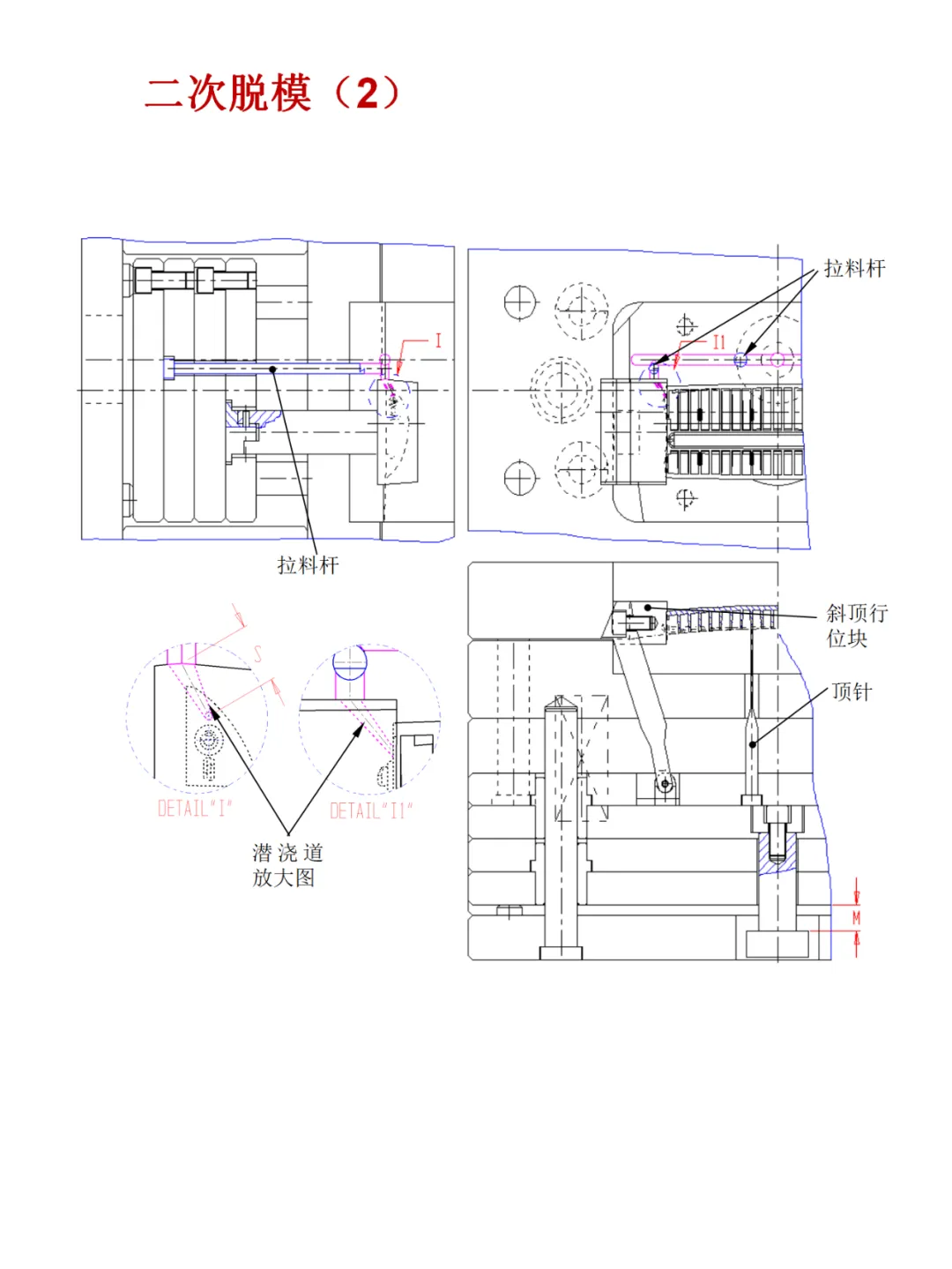
03、成型零件与脱模机构
成型零件主要指构成制品形状的型芯(凸模)和凹模(型腔),其尺寸需在制品尺寸基础上计入塑料收缩率(通常为0.5%-3%)。
这些零件要求高硬度、高耐磨性和良好的抛光性能。为确保制品顺利脱模,必须设置合理的脱模斜度(一般光滑面≥0.5°),并设计推出机构(如顶针、顶板)。对于有侧凹或侧孔的制品,还需设计侧向抽芯机构。
文末提供PPT下载方式

50万+机械工程师都在看↓↓↓

关注上方公众号,回复关键词,免费领取海量资料!!

1. 回复动图】领10000+个机械动图及视频包

2. 回复CAD】领800GAutoCAD全套视频教程

3. 回复UG领取800G的UGNX全套视频教程

4. 回复SW领取800G的Solidworks全套教程

5. 回复机械设计领取800G(非标)机械设计资料

最新文章

随机文章

基本 文件 流程 错误 SQL 调试
  1. 请求信息 : 2026-05-31 13:07:37 HTTP/2.0 GET : https://yeyulingfeng.com/a/473798.html
  2. 运行时间 : 0.079315s [ 吞吐率:12.61req/s ] 内存消耗:4,291.38kb 文件加载:140
  3. 缓存信息 : 0 reads,0 writes
  4. 会话信息 : SESSION_ID=913c3c01991dca2ae1d07bd87ff1701a
  1. /yingpanguazai/ssd/ssd1/www/yeyulingfeng.com/public/index.php ( 0.79 KB )
  2. /yingpanguazai/ssd/ssd1/www/yeyulingfeng.com/vendor/autoload.php ( 0.17 KB )
  3. /yingpanguazai/ssd/ssd1/www/yeyulingfeng.com/vendor/composer/autoload_real.php ( 2.49 KB )
  4. /yingpanguazai/ssd/ssd1/www/yeyulingfeng.com/vendor/composer/platform_check.php ( 0.90 KB )
  5. /yingpanguazai/ssd/ssd1/www/yeyulingfeng.com/vendor/composer/ClassLoader.php ( 14.03 KB )
  6. /yingpanguazai/ssd/ssd1/www/yeyulingfeng.com/vendor/composer/autoload_static.php ( 4.90 KB )
  7. /yingpanguazai/ssd/ssd1/www/yeyulingfeng.com/vendor/topthink/think-helper/src/helper.php ( 8.34 KB )
  8. /yingpanguazai/ssd/ssd1/www/yeyulingfeng.com/vendor/topthink/think-validate/src/helper.php ( 2.19 KB )
  9. /yingpanguazai/ssd/ssd1/www/yeyulingfeng.com/vendor/topthink/think-orm/src/helper.php ( 1.47 KB )
  10. /yingpanguazai/ssd/ssd1/www/yeyulingfeng.com/vendor/topthink/think-orm/stubs/load_stubs.php ( 0.16 KB )
  11. /yingpanguazai/ssd/ssd1/www/yeyulingfeng.com/vendor/topthink/framework/src/think/Exception.php ( 1.69 KB )
  12. /yingpanguazai/ssd/ssd1/www/yeyulingfeng.com/vendor/topthink/think-container/src/Facade.php ( 2.71 KB )
  13. /yingpanguazai/ssd/ssd1/www/yeyulingfeng.com/vendor/symfony/deprecation-contracts/function.php ( 0.99 KB )
  14. /yingpanguazai/ssd/ssd1/www/yeyulingfeng.com/vendor/symfony/polyfill-mbstring/bootstrap.php ( 8.26 KB )
  15. /yingpanguazai/ssd/ssd1/www/yeyulingfeng.com/vendor/symfony/polyfill-mbstring/bootstrap80.php ( 9.78 KB )
  16. /yingpanguazai/ssd/ssd1/www/yeyulingfeng.com/vendor/symfony/var-dumper/Resources/functions/dump.php ( 1.49 KB )
  17. /yingpanguazai/ssd/ssd1/www/yeyulingfeng.com/vendor/topthink/think-dumper/src/helper.php ( 0.18 KB )
  18. /yingpanguazai/ssd/ssd1/www/yeyulingfeng.com/vendor/symfony/var-dumper/VarDumper.php ( 4.30 KB )
  19. /yingpanguazai/ssd/ssd1/www/yeyulingfeng.com/vendor/topthink/framework/src/think/App.php ( 15.30 KB )
  20. /yingpanguazai/ssd/ssd1/www/yeyulingfeng.com/vendor/topthink/think-container/src/Container.php ( 15.76 KB )
  21. /yingpanguazai/ssd/ssd1/www/yeyulingfeng.com/vendor/psr/container/src/ContainerInterface.php ( 1.02 KB )
  22. /yingpanguazai/ssd/ssd1/www/yeyulingfeng.com/app/provider.php ( 0.19 KB )
  23. /yingpanguazai/ssd/ssd1/www/yeyulingfeng.com/vendor/topthink/framework/src/think/Http.php ( 6.04 KB )
  24. /yingpanguazai/ssd/ssd1/www/yeyulingfeng.com/vendor/topthink/think-helper/src/helper/Str.php ( 7.29 KB )
  25. /yingpanguazai/ssd/ssd1/www/yeyulingfeng.com/vendor/topthink/framework/src/think/Env.php ( 4.68 KB )
  26. /yingpanguazai/ssd/ssd1/www/yeyulingfeng.com/app/common.php ( 0.03 KB )
  27. /yingpanguazai/ssd/ssd1/www/yeyulingfeng.com/vendor/topthink/framework/src/helper.php ( 18.78 KB )
  28. /yingpanguazai/ssd/ssd1/www/yeyulingfeng.com/vendor/topthink/framework/src/think/Config.php ( 5.54 KB )
  29. /yingpanguazai/ssd/ssd1/www/yeyulingfeng.com/config/app.php ( 0.95 KB )
  30. /yingpanguazai/ssd/ssd1/www/yeyulingfeng.com/config/cache.php ( 0.78 KB )
  31. /yingpanguazai/ssd/ssd1/www/yeyulingfeng.com/config/console.php ( 0.23 KB )
  32. /yingpanguazai/ssd/ssd1/www/yeyulingfeng.com/config/cookie.php ( 0.56 KB )
  33. /yingpanguazai/ssd/ssd1/www/yeyulingfeng.com/config/database.php ( 2.50 KB )
  34. /yingpanguazai/ssd/ssd1/www/yeyulingfeng.com/vendor/topthink/framework/src/think/facade/Env.php ( 1.67 KB )
  35. /yingpanguazai/ssd/ssd1/www/yeyulingfeng.com/config/filesystem.php ( 0.61 KB )
  36. /yingpanguazai/ssd/ssd1/www/yeyulingfeng.com/config/lang.php ( 0.91 KB )
  37. /yingpanguazai/ssd/ssd1/www/yeyulingfeng.com/config/log.php ( 1.35 KB )
  38. /yingpanguazai/ssd/ssd1/www/yeyulingfeng.com/config/middleware.php ( 0.19 KB )
  39. /yingpanguazai/ssd/ssd1/www/yeyulingfeng.com/config/route.php ( 1.89 KB )
  40. /yingpanguazai/ssd/ssd1/www/yeyulingfeng.com/config/session.php ( 0.57 KB )
  41. /yingpanguazai/ssd/ssd1/www/yeyulingfeng.com/config/trace.php ( 0.34 KB )
  42. /yingpanguazai/ssd/ssd1/www/yeyulingfeng.com/config/view.php ( 0.82 KB )
  43. /yingpanguazai/ssd/ssd1/www/yeyulingfeng.com/app/event.php ( 0.25 KB )
  44. /yingpanguazai/ssd/ssd1/www/yeyulingfeng.com/vendor/topthink/framework/src/think/Event.php ( 7.67 KB )
  45. /yingpanguazai/ssd/ssd1/www/yeyulingfeng.com/app/service.php ( 0.13 KB )
  46. /yingpanguazai/ssd/ssd1/www/yeyulingfeng.com/app/AppService.php ( 0.26 KB )
  47. /yingpanguazai/ssd/ssd1/www/yeyulingfeng.com/vendor/topthink/framework/src/think/Service.php ( 1.64 KB )
  48. /yingpanguazai/ssd/ssd1/www/yeyulingfeng.com/vendor/topthink/framework/src/think/Lang.php ( 7.35 KB )
  49. /yingpanguazai/ssd/ssd1/www/yeyulingfeng.com/vendor/topthink/framework/src/lang/zh-cn.php ( 13.70 KB )
  50. /yingpanguazai/ssd/ssd1/www/yeyulingfeng.com/vendor/topthink/framework/src/think/initializer/Error.php ( 3.31 KB )
  51. /yingpanguazai/ssd/ssd1/www/yeyulingfeng.com/vendor/topthink/framework/src/think/initializer/RegisterService.php ( 1.33 KB )
  52. /yingpanguazai/ssd/ssd1/www/yeyulingfeng.com/vendor/services.php ( 0.14 KB )
  53. /yingpanguazai/ssd/ssd1/www/yeyulingfeng.com/vendor/topthink/framework/src/think/service/PaginatorService.php ( 1.52 KB )
  54. /yingpanguazai/ssd/ssd1/www/yeyulingfeng.com/vendor/topthink/framework/src/think/service/ValidateService.php ( 0.99 KB )
  55. /yingpanguazai/ssd/ssd1/www/yeyulingfeng.com/vendor/topthink/framework/src/think/service/ModelService.php ( 2.04 KB )
  56. /yingpanguazai/ssd/ssd1/www/yeyulingfeng.com/vendor/topthink/think-trace/src/Service.php ( 0.77 KB )
  57. /yingpanguazai/ssd/ssd1/www/yeyulingfeng.com/vendor/topthink/framework/src/think/Middleware.php ( 6.72 KB )
  58. /yingpanguazai/ssd/ssd1/www/yeyulingfeng.com/vendor/topthink/framework/src/think/initializer/BootService.php ( 0.77 KB )
  59. /yingpanguazai/ssd/ssd1/www/yeyulingfeng.com/vendor/topthink/think-orm/src/Paginator.php ( 11.86 KB )
  60. /yingpanguazai/ssd/ssd1/www/yeyulingfeng.com/vendor/topthink/think-validate/src/Validate.php ( 63.20 KB )
  61. /yingpanguazai/ssd/ssd1/www/yeyulingfeng.com/vendor/topthink/think-orm/src/Model.php ( 23.55 KB )
  62. /yingpanguazai/ssd/ssd1/www/yeyulingfeng.com/vendor/topthink/think-orm/src/model/concern/Attribute.php ( 21.05 KB )
  63. /yingpanguazai/ssd/ssd1/www/yeyulingfeng.com/vendor/topthink/think-orm/src/model/concern/AutoWriteData.php ( 4.21 KB )
  64. /yingpanguazai/ssd/ssd1/www/yeyulingfeng.com/vendor/topthink/think-orm/src/model/concern/Conversion.php ( 6.44 KB )
  65. /yingpanguazai/ssd/ssd1/www/yeyulingfeng.com/vendor/topthink/think-orm/src/model/concern/DbConnect.php ( 5.16 KB )
  66. /yingpanguazai/ssd/ssd1/www/yeyulingfeng.com/vendor/topthink/think-orm/src/model/concern/ModelEvent.php ( 2.33 KB )
  67. /yingpanguazai/ssd/ssd1/www/yeyulingfeng.com/vendor/topthink/think-orm/src/model/concern/RelationShip.php ( 28.29 KB )
  68. /yingpanguazai/ssd/ssd1/www/yeyulingfeng.com/vendor/topthink/think-helper/src/contract/Arrayable.php ( 0.09 KB )
  69. /yingpanguazai/ssd/ssd1/www/yeyulingfeng.com/vendor/topthink/think-helper/src/contract/Jsonable.php ( 0.13 KB )
  70. /yingpanguazai/ssd/ssd1/www/yeyulingfeng.com/vendor/topthink/think-orm/src/model/contract/Modelable.php ( 0.09 KB )
  71. /yingpanguazai/ssd/ssd1/www/yeyulingfeng.com/vendor/topthink/framework/src/think/Db.php ( 2.88 KB )
  72. /yingpanguazai/ssd/ssd1/www/yeyulingfeng.com/vendor/topthink/think-orm/src/DbManager.php ( 8.52 KB )
  73. /yingpanguazai/ssd/ssd1/www/yeyulingfeng.com/vendor/topthink/framework/src/think/Log.php ( 6.28 KB )
  74. /yingpanguazai/ssd/ssd1/www/yeyulingfeng.com/vendor/topthink/framework/src/think/Manager.php ( 3.92 KB )
  75. /yingpanguazai/ssd/ssd1/www/yeyulingfeng.com/vendor/psr/log/src/LoggerTrait.php ( 2.69 KB )
  76. /yingpanguazai/ssd/ssd1/www/yeyulingfeng.com/vendor/psr/log/src/LoggerInterface.php ( 2.71 KB )
  77. /yingpanguazai/ssd/ssd1/www/yeyulingfeng.com/vendor/topthink/framework/src/think/Cache.php ( 4.92 KB )
  78. /yingpanguazai/ssd/ssd1/www/yeyulingfeng.com/vendor/psr/simple-cache/src/CacheInterface.php ( 4.71 KB )
  79. /yingpanguazai/ssd/ssd1/www/yeyulingfeng.com/vendor/topthink/think-helper/src/helper/Arr.php ( 16.63 KB )
  80. /yingpanguazai/ssd/ssd1/www/yeyulingfeng.com/vendor/topthink/framework/src/think/cache/driver/File.php ( 7.84 KB )
  81. /yingpanguazai/ssd/ssd1/www/yeyulingfeng.com/vendor/topthink/framework/src/think/cache/Driver.php ( 9.03 KB )
  82. /yingpanguazai/ssd/ssd1/www/yeyulingfeng.com/vendor/topthink/framework/src/think/contract/CacheHandlerInterface.php ( 1.99 KB )
  83. /yingpanguazai/ssd/ssd1/www/yeyulingfeng.com/app/Request.php ( 0.09 KB )
  84. /yingpanguazai/ssd/ssd1/www/yeyulingfeng.com/vendor/topthink/framework/src/think/Request.php ( 55.78 KB )
  85. /yingpanguazai/ssd/ssd1/www/yeyulingfeng.com/app/middleware.php ( 0.25 KB )
  86. /yingpanguazai/ssd/ssd1/www/yeyulingfeng.com/vendor/topthink/framework/src/think/Pipeline.php ( 2.61 KB )
  87. /yingpanguazai/ssd/ssd1/www/yeyulingfeng.com/vendor/topthink/think-trace/src/TraceDebug.php ( 3.40 KB )
  88. /yingpanguazai/ssd/ssd1/www/yeyulingfeng.com/vendor/topthink/framework/src/think/middleware/SessionInit.php ( 1.94 KB )
  89. /yingpanguazai/ssd/ssd1/www/yeyulingfeng.com/vendor/topthink/framework/src/think/Session.php ( 1.80 KB )
  90. /yingpanguazai/ssd/ssd1/www/yeyulingfeng.com/vendor/topthink/framework/src/think/session/driver/File.php ( 6.27 KB )
  91. /yingpanguazai/ssd/ssd1/www/yeyulingfeng.com/vendor/topthink/framework/src/think/contract/SessionHandlerInterface.php ( 0.87 KB )
  92. /yingpanguazai/ssd/ssd1/www/yeyulingfeng.com/vendor/topthink/framework/src/think/session/Store.php ( 7.12 KB )
  93. /yingpanguazai/ssd/ssd1/www/yeyulingfeng.com/vendor/topthink/framework/src/think/Route.php ( 23.73 KB )
  94. /yingpanguazai/ssd/ssd1/www/yeyulingfeng.com/vendor/topthink/framework/src/think/route/RuleName.php ( 5.75 KB )
  95. /yingpanguazai/ssd/ssd1/www/yeyulingfeng.com/vendor/topthink/framework/src/think/route/Domain.php ( 2.53 KB )
  96. /yingpanguazai/ssd/ssd1/www/yeyulingfeng.com/vendor/topthink/framework/src/think/route/RuleGroup.php ( 22.43 KB )
  97. /yingpanguazai/ssd/ssd1/www/yeyulingfeng.com/vendor/topthink/framework/src/think/route/Rule.php ( 26.95 KB )
  98. /yingpanguazai/ssd/ssd1/www/yeyulingfeng.com/vendor/topthink/framework/src/think/route/RuleItem.php ( 9.78 KB )
  99. /yingpanguazai/ssd/ssd1/www/yeyulingfeng.com/route/app.php ( 1.72 KB )
  100. /yingpanguazai/ssd/ssd1/www/yeyulingfeng.com/vendor/topthink/framework/src/think/facade/Route.php ( 4.70 KB )
  101. /yingpanguazai/ssd/ssd1/www/yeyulingfeng.com/vendor/topthink/framework/src/think/route/dispatch/Controller.php ( 4.74 KB )
  102. /yingpanguazai/ssd/ssd1/www/yeyulingfeng.com/vendor/topthink/framework/src/think/route/Dispatch.php ( 10.44 KB )
  103. /yingpanguazai/ssd/ssd1/www/yeyulingfeng.com/app/controller/Index.php ( 4.81 KB )
  104. /yingpanguazai/ssd/ssd1/www/yeyulingfeng.com/app/BaseController.php ( 2.05 KB )
  105. /yingpanguazai/ssd/ssd1/www/yeyulingfeng.com/vendor/topthink/think-orm/src/facade/Db.php ( 0.93 KB )
  106. /yingpanguazai/ssd/ssd1/www/yeyulingfeng.com/vendor/topthink/think-orm/src/db/connector/Mysql.php ( 5.44 KB )
  107. /yingpanguazai/ssd/ssd1/www/yeyulingfeng.com/vendor/topthink/think-orm/src/db/PDOConnection.php ( 52.47 KB )
  108. /yingpanguazai/ssd/ssd1/www/yeyulingfeng.com/vendor/topthink/think-orm/src/db/Connection.php ( 8.39 KB )
  109. /yingpanguazai/ssd/ssd1/www/yeyulingfeng.com/vendor/topthink/think-orm/src/db/ConnectionInterface.php ( 4.57 KB )
  110. /yingpanguazai/ssd/ssd1/www/yeyulingfeng.com/vendor/topthink/think-orm/src/db/builder/Mysql.php ( 16.58 KB )
  111. /yingpanguazai/ssd/ssd1/www/yeyulingfeng.com/vendor/topthink/think-orm/src/db/Builder.php ( 24.06 KB )
  112. /yingpanguazai/ssd/ssd1/www/yeyulingfeng.com/vendor/topthink/think-orm/src/db/BaseBuilder.php ( 27.50 KB )
  113. /yingpanguazai/ssd/ssd1/www/yeyulingfeng.com/vendor/topthink/think-orm/src/db/Query.php ( 15.71 KB )
  114. /yingpanguazai/ssd/ssd1/www/yeyulingfeng.com/vendor/topthink/think-orm/src/db/BaseQuery.php ( 45.13 KB )
  115. /yingpanguazai/ssd/ssd1/www/yeyulingfeng.com/vendor/topthink/think-orm/src/db/concern/TimeFieldQuery.php ( 7.43 KB )
  116. /yingpanguazai/ssd/ssd1/www/yeyulingfeng.com/vendor/topthink/think-orm/src/db/concern/AggregateQuery.php ( 3.26 KB )
  117. /yingpanguazai/ssd/ssd1/www/yeyulingfeng.com/vendor/topthink/think-orm/src/db/concern/ModelRelationQuery.php ( 20.07 KB )
  118. /yingpanguazai/ssd/ssd1/www/yeyulingfeng.com/vendor/topthink/think-orm/src/db/concern/ParamsBind.php ( 3.66 KB )
  119. /yingpanguazai/ssd/ssd1/www/yeyulingfeng.com/vendor/topthink/think-orm/src/db/concern/ResultOperation.php ( 7.01 KB )
  120. /yingpanguazai/ssd/ssd1/www/yeyulingfeng.com/vendor/topthink/think-orm/src/db/concern/WhereQuery.php ( 19.37 KB )
  121. /yingpanguazai/ssd/ssd1/www/yeyulingfeng.com/vendor/topthink/think-orm/src/db/concern/JoinAndViewQuery.php ( 7.11 KB )
  122. /yingpanguazai/ssd/ssd1/www/yeyulingfeng.com/vendor/topthink/think-orm/src/db/concern/TableFieldInfo.php ( 2.63 KB )
  123. /yingpanguazai/ssd/ssd1/www/yeyulingfeng.com/vendor/topthink/think-orm/src/db/concern/Transaction.php ( 2.77 KB )
  124. /yingpanguazai/ssd/ssd1/www/yeyulingfeng.com/vendor/topthink/framework/src/think/log/driver/File.php ( 5.96 KB )
  125. /yingpanguazai/ssd/ssd1/www/yeyulingfeng.com/vendor/topthink/framework/src/think/contract/LogHandlerInterface.php ( 0.86 KB )
  126. /yingpanguazai/ssd/ssd1/www/yeyulingfeng.com/vendor/topthink/framework/src/think/log/Channel.php ( 3.89 KB )
  127. /yingpanguazai/ssd/ssd1/www/yeyulingfeng.com/vendor/topthink/framework/src/think/event/LogRecord.php ( 1.02 KB )
  128. /yingpanguazai/ssd/ssd1/www/yeyulingfeng.com/vendor/topthink/think-helper/src/Collection.php ( 16.47 KB )
  129. /yingpanguazai/ssd/ssd1/www/yeyulingfeng.com/vendor/topthink/framework/src/think/facade/View.php ( 1.70 KB )
  130. /yingpanguazai/ssd/ssd1/www/yeyulingfeng.com/vendor/topthink/framework/src/think/View.php ( 4.39 KB )
  131. /yingpanguazai/ssd/ssd1/www/yeyulingfeng.com/vendor/topthink/framework/src/think/Response.php ( 8.81 KB )
  132. /yingpanguazai/ssd/ssd1/www/yeyulingfeng.com/vendor/topthink/framework/src/think/response/View.php ( 3.29 KB )
  133. /yingpanguazai/ssd/ssd1/www/yeyulingfeng.com/vendor/topthink/framework/src/think/Cookie.php ( 6.06 KB )
  134. /yingpanguazai/ssd/ssd1/www/yeyulingfeng.com/vendor/topthink/think-view/src/Think.php ( 8.38 KB )
  135. /yingpanguazai/ssd/ssd1/www/yeyulingfeng.com/vendor/topthink/framework/src/think/contract/TemplateHandlerInterface.php ( 1.60 KB )
  136. /yingpanguazai/ssd/ssd1/www/yeyulingfeng.com/vendor/topthink/think-template/src/Template.php ( 46.61 KB )
  137. /yingpanguazai/ssd/ssd1/www/yeyulingfeng.com/vendor/topthink/think-template/src/template/driver/File.php ( 2.41 KB )
  138. /yingpanguazai/ssd/ssd1/www/yeyulingfeng.com/vendor/topthink/think-template/src/template/contract/DriverInterface.php ( 0.86 KB )
  139. /yingpanguazai/ssd/ssd1/www/yeyulingfeng.com/runtime/temp/8ef20ebb20ac8b82ec5232b0bcb62051.php ( 11.99 KB )
  140. /yingpanguazai/ssd/ssd1/www/yeyulingfeng.com/vendor/topthink/think-trace/src/Html.php ( 4.42 KB )
  1. CONNECT:[ UseTime:0.000369s ] mysql:host=127.0.0.1;port=3306;dbname=no_yeyulingfeng;charset=utf8mb4
  2. SHOW FULL COLUMNS FROM `fenlei` [ RunTime:0.000610s ]
  3. SELECT * FROM `fenlei` WHERE `fid` = 0 [ RunTime:0.000301s ]
  4. SELECT * FROM `fenlei` WHERE `fid` = 63 [ RunTime:0.000282s ]
  5. SHOW FULL COLUMNS FROM `set` [ RunTime:0.000567s ]
  6. SELECT * FROM `set` [ RunTime:0.000201s ]
  7. SHOW FULL COLUMNS FROM `article` [ RunTime:0.000560s ]
  8. SELECT * FROM `article` WHERE `id` = 473798 LIMIT 1 [ RunTime:0.000379s ]
  9. UPDATE `article` SET `lasttime` = 1780204057 WHERE `id` = 473798 [ RunTime:0.000577s ]
  10. SELECT * FROM `fenlei` WHERE `id` = 66 LIMIT 1 [ RunTime:0.000267s ]
  11. SELECT * FROM `article` WHERE `id` < 473798 ORDER BY `id` DESC LIMIT 1 [ RunTime:0.000448s ]
  12. SELECT * FROM `article` WHERE `id` > 473798 ORDER BY `id` ASC LIMIT 1 [ RunTime:0.000382s ]
  13. SELECT * FROM `article` WHERE `id` < 473798 ORDER BY `id` DESC LIMIT 10 [ RunTime:0.001469s ]
  14. SELECT * FROM `article` WHERE `id` < 473798 ORDER BY `id` DESC LIMIT 10,10 [ RunTime:0.000823s ]
  15. SELECT * FROM `article` WHERE `id` < 473798 ORDER BY `id` DESC LIMIT 20,10 [ RunTime:0.000823s ]
0.080781s