

湖南省2025年普通高中学业水平选择性考试
物理
限时75分钟满分100分
一、选择题:本题共6小题,每小题4分,共24分。在每小题给出的四个选项中,只有一项是符合题目要求的。
1.关于原子核衰变,下列说法正确的是( )
A.原子核衰变后生成新核并释放能量,新核总质量等于原核质量
B.大量某放射性元素的原子核有半数发生衰变所需时间,为该元素的半衰期
C.放射性元素的半衰期随环境温度升高而变长
D.采用化学方法可以有效改变放射性元素的半衰期
2.如图,物块以某一初速度滑上足够长的固定光滑斜面,物块的水平位移、竖直位移、水平速度、竖直速度分别用x、y、
、
表示。物块向上运动过程中,下列图像可能正确的是( )

A.
B.
C.
D.
3.如图,ABC为半圆柱体透明介质的横截面,AC为直径,B为ABC的中点。真空中一束单色光从AC边射入介质,入射点为A点,折射光直接由B点出射。不考虑光的多次反射,下列说法正确的是( )

A.入射角θ小于45°
B.该介质折射率大于
C.增大入射角,该单色光在BC上可能发生全反射
D.减小入射角,该单色光在AB上可能发生全反射
4.我国研制的“天问二号”探测器,任务是对伴地小行星及彗星交会等进行多目标探测。某同学提出探究方案,通过释放卫星绕小行星进行圆周运动,可测得小行星半径R和质量M。为探测某自转周期为
的小行星,卫星先在其同步轨道上运行,测得距离小行星表面高度为h,接下来变轨到小行星表面附近绕其做匀速圆周运动,测得周期为
。已知引力常量为G,不考虑其他天体对卫星的引力,可根据以上物理得到
。下列选项正确的是( )
A.a为
为
为
B.a为
为
为
C.a为
为
为
D.a为
为
为
5.如图,两带电小球的质量均为m,小球A用一端固定在墙上的绝缘轻绳连接,小球B用固定的绝缘轻杆连接。A球静止时,轻绳与竖直方向的夹角为
,两球连线与轻绳的夹角为
,整个系统在同一竖直平面内,重力加速度大小为g。下列说法正确的是( )

A.A球静止时,轻绳上拉力为
B.A球静止时,A球与B球间的库仑力为
C.若将轻绳剪断,则剪断瞬间A球加速度大小为g
D.若将轻绳剪断,则剪断瞬间轻杆对B球的作用力变小
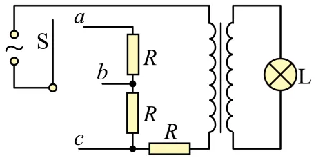
6.如图,某小组设计了灯泡亮度可调的电路,a、b、c为固定的三个触点,理想变压器原、副线圈匝数比为k,灯泡L和三个电阻的阻值均恒为R,交变电源输出电压的有效值恒为U。开关S与不同触点相连,下列说法正确的是( )

A.S与a相连,灯泡的电功率最大
B.S与a相连,灯泡两端的电压为
C.S与b相连,流过灯泡的电流为
D.S与c相连,灯泡的电功率为
二、选择题:本题共4小题,每小题5分,共20分。在每小题给出的四个选项中,有多项符合题目要求。全部选对的得5分,选对但不全的得3分,有选错的得0分。
7.如图,
在
平面内,两波源分别置于A、B两点。
时,两波源从平衡位置起振,起振方向相同且垂直于
平面。频率均为
。两波源持续产生振幅相同的简谐横波,波分别沿
方向传播,波速均为
。下列说法正确的是( )

A.两横波的波长均为
B.
时,C处质点加速度为0
C.
时,C处质点速度不为0D.
时,C处质点速度为0
8.一匀强电场的方向平行于
平面,平面内A点和B点的位置如图所示。电荷量为
和
的三个试探电荷先后分别置于O点、A点和B点时,电势能均为
。下列说法正确的是( )

A.
中点的电势为零B.电场的方向与x轴正方向成
角
C.电场强度的大小为
D.电场强度的大小为
9.如图,关于x轴对称的光滑导轨固定在水平面内,导轨形状为抛物线,顶点位于O点。一足够长的金属杆初始位置与y轴重合,金属杆的质量为m,单位长度的电阻为
。整个空间存在竖直向上的匀强磁场,磁感应强度为B。现给金属杆一沿x轴正方向的初速度
,金属杆运动过程中始终与y轴平行,且与电阻不计的导轨接触良好。下列说法正确的是( )

A.金属杆沿x轴正方向运动过程中,金属杆中电流沿y轴负方向
B.金属杆可以在沿x轴正方向的恒力作用下做匀速直线运动
C.金属杆停止运动时,与导轨围成的面积为
D.若金属杆的初速度减半,则金属杆停止运动时经过的距离小于原来的一半
10.如图,某爆炸能量测量装置由装载台和滑轨等构成,C是可以在滑轨上运动的标准测量件,其规格可以根据测量需求进行调整。滑轨安装在高度为h的水平面上。测量时,将弹药放入装载台圆筒内,两端用物块A和B封装,装载台与滑轨等高。引爆后,假设弹药释放的能量完全转化为A和B的动能。极短时间内B嵌入C中形成组合体D,D与滑轨间的动摩擦因数为
。D在滑轨上运动
距离后抛出,落地点距抛出点水平距离为
,根据
可计算出弹药释放的能量。某次测量中,A、B、C质量分别为
、
、
,整个过程发生在同一竖直平面内,不计空气阻力,重力加速度大小为g。则( )

A.D的初动能与爆炸后瞬间A的动能相等
B.D的初动能与其落地时的动能相等
C.弹药释放的能量为
D.弹药释放的能量为
三、非选择题:本题共5小题,共56分。
11.某同学通过观察小球在黏性液体中的运动,探究其动力学规律,步骤如下:

(1)用螺旋测微器测量小球直径D如图1所示,
。
(2)在液面处由静止释放小球,同时使用频闪摄影仪记录小球下落过程中不同时刻的位置,频闪仪每隔
闪光一次。装置及所拍照片示意图如图2所示(图中的数字是小球到液面的测量距离,单位是
)。



通过网盘分享的文件:【免费下载】高考真题【湖南】2025年高考湖南卷物理高考真题文档版(含答案)word版含解析学生版教师版
链接: https://pan.baidu.com/s/1xT5v87ARFOx2GwrkNOBRFQ?pwd=4321 提取码: 4321
--来自百度网盘超级会员v8的分享