| 机电安装 | 工程质量 | 消防设计指南 | 设计审查 |
| 技术问答 | 机电施工 | 既有建筑改造 | 弱电智能化 |
机电安装工程施工工艺标准电气分册包含:避雷针、避雷带、各种接地、导管安装、槽架安装、电缆头制作、配电箱安装等很多电气安装工艺。

中建三局一公司安装公司发布的《机电安装工程施工工艺标准(电气分册)》第二版,旨在推行标准化施工,形成企业独特的品牌形象。本标准并非简单摘录现行规范,而是结合公司多年施工经验,提炼出具有企业个性的施工工艺要求,强制执行,确保每一个承建工程都烙上“中建三局一公司”的印记。

电气工程分册主要工艺内容一览(共41项)


防雷与接地系统细部做法见防雷接地怎么做?四大关键节点施工要点梳理,工程人必看!-学习《机电工程安装工艺细部节点做法优选(2022》和《机电工程安装工艺细部节点做法优选(2022)》学习之防雷与接地工程:接闪器、引下线、均压环、设备接地等关键节点详述文章。
1避雷针制作安装针高H按设计,无设计时700mm;热浸镀锌

2避雷带安装与伸缩补偿支架间距0.5~1.5m,圆钢搭接6倍直径,温度补偿器正确设置


3冷却水塔防雷金属外壳与防雷装置可靠连接


4屋面管道等电位跨接金属管道进出屋面前与接地干线联结

5设备房接地接地母线沿墙敷设,距地250~300mm,黄绿相间标识


6不锈钢栏杆接地引扁铁至栏杆底部,配合栏杆施工单位做好美观接地

7路灯灯杆接地引扁铁至灯杆内,灯具、整流器、灯柱分别接地

8泛光照明灯具接地金属构架、灯具、软管均需可靠接地

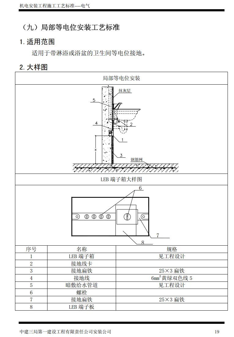
9局部等电位(卫生间)淋浴/浴盆卫生间必须设置LEB,独立金属件不需联结

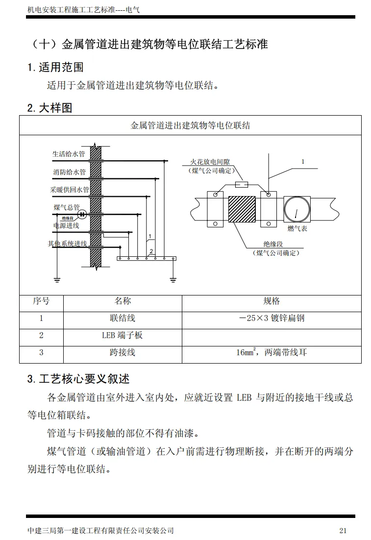
10金属管道进出建筑物等电位入户处设LEB,煤气管需物理断接并设火花间隙

电缆桥架与导管安装
11电线导管跨接紧定式接头不需跨接,软管两端应跨接地线

12电气导管布置明敷导管应整齐、固定牢固,过线盒设隔音处理

13导管沿吊架安装吊架间距≤1.5m,镀锌管不得对口熔焊

14导管过变形缝设补偿装置,明配用金属软管,暗配用过线盒

15户外钢管安装防水线盒、水泥护墩高200~250mm,倒角泄水

16槽架/线管接驳配电箱加绝缘板保护,方孔走线、圆孔走电缆头

17槽架悬吊式安装支吊架间距1.5m,刚性支架设于转角、末端、30m处

18槽架沿墙安装垂直安装用扁钢或角钢,水平安装按宽度选型

19槽架支架接地镀锌件用螺栓连接,非镀锌件加跨接线

20露天槽架入室内设Z形弯,盖板连续,外倾泄水孔

21槽架过变形缝断开槽架,盖板独立,设跨接线余量
线缆桥架过伸缩缝水平安装图集《22D701-3》P43~44页


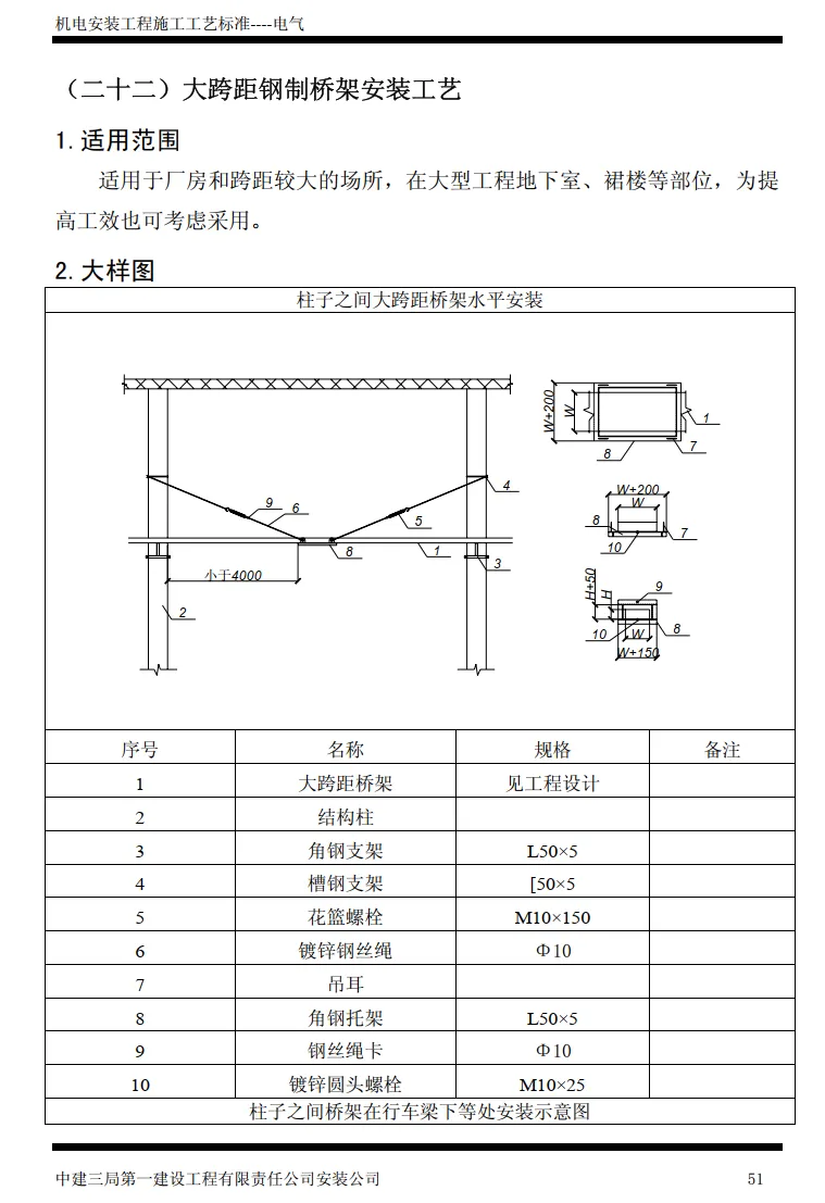
22大跨距钢制桥架适用于厂房、地下室,提高工效

23槽架配件标准优先成品,自制需与配件尺寸一致,焊接接缝防腐

配电设备与电缆终端
24配电房槽架布置整齐美观,减少交叉,预留检修空间

25槽架穿墙/楼板防火堵料+防火板,高层每2~3层做防火分隔

26暗装接地电阻测试点不锈钢箱体,蝶形螺母,公司标识+接地标识

27室内电缆沟支架间距1~1.5m,按电压等级分层敷设

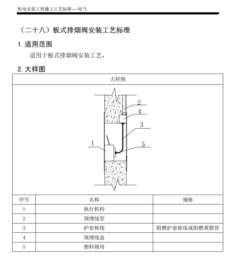
28板式排烟阀安装预埋线管+软线,线盒设塑料锁母

29母线槽安装吊架间距1.2m,软母线连接,扭矩螺栓需拧断

30母线槽穿墙镀锌套管+防火堵料+防火板

31电缆与电机接线梳栉槽架+金属软管,电缆头固定在槽架内

32单导线与设备连接10mm²以下单股可直接连接,多股需压接线耳

33双线耳端接三明治方式夹接,螺栓拧紧

34电缆头制作热缩工艺,绝缘电阻≥10MΩ,压接≥两道

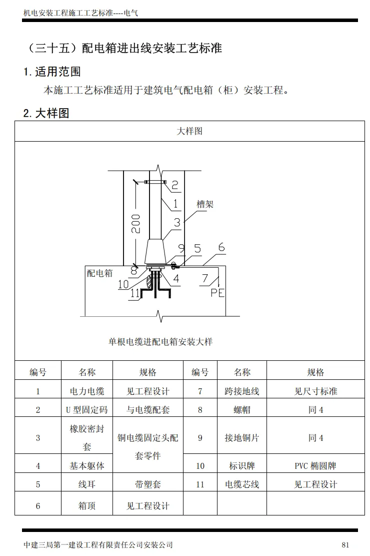
35配电箱进出线电缆头安装在箱体外,N/PE排分开,箱门贴系统图

(注:本文内容依据《机电安装工程施工工艺标准(电气分册)》整理,供学习参考。勿用于其他用途。)

下载方式
文章获取方式:关注公众号,机电探索者主页,发消息,聊天窗口
输入关键词:
****************************
机电安装工程施工工艺标准(电气分册)
****************************
获得链接
素材转载为分享技术知识,如有侵权等请联系我们,立即删除!
1、