当前位置:首页>下载安装>间距超了管道塌!常用机电管道支吊架最大安装间距红线表,选型制安、节点大样…全讲清!可~

间距超了管道塌!常用机电管道支吊架最大安装间距红线表,选型制安、节点大样…全讲清!可~

  • 2026-04-18 21:36:03
间距超了管道塌!常用机电管道支吊架最大安装间距红线表,选型制安、节点大样…全讲清!可~
来源:百度文库

如有侵权,请联系删除

点我获取完整版源文件

点我获取完整版源文件

资料下载方式

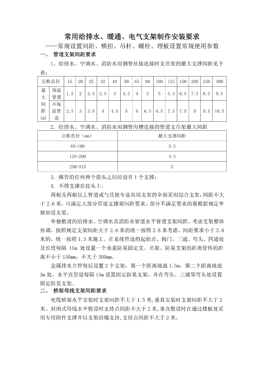
常用机电管道支吊架最大安装间距红线表

扫码加入【机电工程联盟】知识星球

老用户续费8折

👇👇👇

资料下载教程

1、加入知识星球后,电脑浏览器打开 https://www.zsxq.com/ ,微信扫码登录后直接点击资料下载……

2、手机下载知识星球APP,微信登录直接点击对应资料下载

往期资料下载

新用户限时加入,老用户续费8折

HOT

往期精选资料包

49套鲁班奖机电安装工艺标准

78套安装工程识图及算量培训

126套管径/支吊架/风管Excel计算表

45套电缆、管材、水泵等选型资料

20套央企机电、装修施工样板图册

32套鲁班奖机电工程创优做法

6套国企机电全专业施工技术标准宣贯

6套2023住建厅基础设施标准化图册

24套国企机电工程师应知应会题库

107个BIM机电支吊架Revit族

296个消防竣工验收表格资料汇总

54套机电管线综合布置培训

92套机电安装工程量Excel计算模板

300+安装工程质量技术交底卡

66套管道管网自动计算Excel表

36套人防机电设计施工培训

40套住建部消防施工图审查要点

30套机电支吊架施工资料合集

90套名企临水临电施工方案范本

消防工程全套新表填写规范模板

……

全部资料下载,请戳阅读原文!

最新文章

随机文章

基本 文件 流程 错误 SQL 调试
  1. 请求信息 : 2026-04-25 11:04:57 HTTP/2.0 GET : https://yeyulingfeng.com/a/468919.html
  2. 运行时间 : 0.098282s [ 吞吐率:10.17req/s ] 内存消耗:4,469.89kb 文件加载:140
  3. 缓存信息 : 0 reads,0 writes
  4. 会话信息 : SESSION_ID=a55516e8a248531cd40be63f13de2800
  1. /yingpanguazai/ssd/ssd1/www/yeyulingfeng.com/public/index.php ( 0.79 KB )
  2. /yingpanguazai/ssd/ssd1/www/yeyulingfeng.com/vendor/autoload.php ( 0.17 KB )
  3. /yingpanguazai/ssd/ssd1/www/yeyulingfeng.com/vendor/composer/autoload_real.php ( 2.49 KB )
  4. /yingpanguazai/ssd/ssd1/www/yeyulingfeng.com/vendor/composer/platform_check.php ( 0.90 KB )
  5. /yingpanguazai/ssd/ssd1/www/yeyulingfeng.com/vendor/composer/ClassLoader.php ( 14.03 KB )
  6. /yingpanguazai/ssd/ssd1/www/yeyulingfeng.com/vendor/composer/autoload_static.php ( 4.90 KB )
  7. /yingpanguazai/ssd/ssd1/www/yeyulingfeng.com/vendor/topthink/think-helper/src/helper.php ( 8.34 KB )
  8. /yingpanguazai/ssd/ssd1/www/yeyulingfeng.com/vendor/topthink/think-validate/src/helper.php ( 2.19 KB )
  9. /yingpanguazai/ssd/ssd1/www/yeyulingfeng.com/vendor/topthink/think-orm/src/helper.php ( 1.47 KB )
  10. /yingpanguazai/ssd/ssd1/www/yeyulingfeng.com/vendor/topthink/think-orm/stubs/load_stubs.php ( 0.16 KB )
  11. /yingpanguazai/ssd/ssd1/www/yeyulingfeng.com/vendor/topthink/framework/src/think/Exception.php ( 1.69 KB )
  12. /yingpanguazai/ssd/ssd1/www/yeyulingfeng.com/vendor/topthink/think-container/src/Facade.php ( 2.71 KB )
  13. /yingpanguazai/ssd/ssd1/www/yeyulingfeng.com/vendor/symfony/deprecation-contracts/function.php ( 0.99 KB )
  14. /yingpanguazai/ssd/ssd1/www/yeyulingfeng.com/vendor/symfony/polyfill-mbstring/bootstrap.php ( 8.26 KB )
  15. /yingpanguazai/ssd/ssd1/www/yeyulingfeng.com/vendor/symfony/polyfill-mbstring/bootstrap80.php ( 9.78 KB )
  16. /yingpanguazai/ssd/ssd1/www/yeyulingfeng.com/vendor/symfony/var-dumper/Resources/functions/dump.php ( 1.49 KB )
  17. /yingpanguazai/ssd/ssd1/www/yeyulingfeng.com/vendor/topthink/think-dumper/src/helper.php ( 0.18 KB )
  18. /yingpanguazai/ssd/ssd1/www/yeyulingfeng.com/vendor/symfony/var-dumper/VarDumper.php ( 4.30 KB )
  19. /yingpanguazai/ssd/ssd1/www/yeyulingfeng.com/vendor/topthink/framework/src/think/App.php ( 15.30 KB )
  20. /yingpanguazai/ssd/ssd1/www/yeyulingfeng.com/vendor/topthink/think-container/src/Container.php ( 15.76 KB )
  21. /yingpanguazai/ssd/ssd1/www/yeyulingfeng.com/vendor/psr/container/src/ContainerInterface.php ( 1.02 KB )
  22. /yingpanguazai/ssd/ssd1/www/yeyulingfeng.com/app/provider.php ( 0.19 KB )
  23. /yingpanguazai/ssd/ssd1/www/yeyulingfeng.com/vendor/topthink/framework/src/think/Http.php ( 6.04 KB )
  24. /yingpanguazai/ssd/ssd1/www/yeyulingfeng.com/vendor/topthink/think-helper/src/helper/Str.php ( 7.29 KB )
  25. /yingpanguazai/ssd/ssd1/www/yeyulingfeng.com/vendor/topthink/framework/src/think/Env.php ( 4.68 KB )
  26. /yingpanguazai/ssd/ssd1/www/yeyulingfeng.com/app/common.php ( 0.03 KB )
  27. /yingpanguazai/ssd/ssd1/www/yeyulingfeng.com/vendor/topthink/framework/src/helper.php ( 18.78 KB )
  28. /yingpanguazai/ssd/ssd1/www/yeyulingfeng.com/vendor/topthink/framework/src/think/Config.php ( 5.54 KB )
  29. /yingpanguazai/ssd/ssd1/www/yeyulingfeng.com/config/app.php ( 0.95 KB )
  30. /yingpanguazai/ssd/ssd1/www/yeyulingfeng.com/config/cache.php ( 0.78 KB )
  31. /yingpanguazai/ssd/ssd1/www/yeyulingfeng.com/config/console.php ( 0.23 KB )
  32. /yingpanguazai/ssd/ssd1/www/yeyulingfeng.com/config/cookie.php ( 0.56 KB )
  33. /yingpanguazai/ssd/ssd1/www/yeyulingfeng.com/config/database.php ( 2.50 KB )
  34. /yingpanguazai/ssd/ssd1/www/yeyulingfeng.com/vendor/topthink/framework/src/think/facade/Env.php ( 1.67 KB )
  35. /yingpanguazai/ssd/ssd1/www/yeyulingfeng.com/config/filesystem.php ( 0.61 KB )
  36. /yingpanguazai/ssd/ssd1/www/yeyulingfeng.com/config/lang.php ( 0.91 KB )
  37. /yingpanguazai/ssd/ssd1/www/yeyulingfeng.com/config/log.php ( 1.35 KB )
  38. /yingpanguazai/ssd/ssd1/www/yeyulingfeng.com/config/middleware.php ( 0.19 KB )
  39. /yingpanguazai/ssd/ssd1/www/yeyulingfeng.com/config/route.php ( 1.89 KB )
  40. /yingpanguazai/ssd/ssd1/www/yeyulingfeng.com/config/session.php ( 0.57 KB )
  41. /yingpanguazai/ssd/ssd1/www/yeyulingfeng.com/config/trace.php ( 0.34 KB )
  42. /yingpanguazai/ssd/ssd1/www/yeyulingfeng.com/config/view.php ( 0.82 KB )
  43. /yingpanguazai/ssd/ssd1/www/yeyulingfeng.com/app/event.php ( 0.25 KB )
  44. /yingpanguazai/ssd/ssd1/www/yeyulingfeng.com/vendor/topthink/framework/src/think/Event.php ( 7.67 KB )
  45. /yingpanguazai/ssd/ssd1/www/yeyulingfeng.com/app/service.php ( 0.13 KB )
  46. /yingpanguazai/ssd/ssd1/www/yeyulingfeng.com/app/AppService.php ( 0.26 KB )
  47. /yingpanguazai/ssd/ssd1/www/yeyulingfeng.com/vendor/topthink/framework/src/think/Service.php ( 1.64 KB )
  48. /yingpanguazai/ssd/ssd1/www/yeyulingfeng.com/vendor/topthink/framework/src/think/Lang.php ( 7.35 KB )
  49. /yingpanguazai/ssd/ssd1/www/yeyulingfeng.com/vendor/topthink/framework/src/lang/zh-cn.php ( 13.70 KB )
  50. /yingpanguazai/ssd/ssd1/www/yeyulingfeng.com/vendor/topthink/framework/src/think/initializer/Error.php ( 3.31 KB )
  51. /yingpanguazai/ssd/ssd1/www/yeyulingfeng.com/vendor/topthink/framework/src/think/initializer/RegisterService.php ( 1.33 KB )
  52. /yingpanguazai/ssd/ssd1/www/yeyulingfeng.com/vendor/services.php ( 0.14 KB )
  53. /yingpanguazai/ssd/ssd1/www/yeyulingfeng.com/vendor/topthink/framework/src/think/service/PaginatorService.php ( 1.52 KB )
  54. /yingpanguazai/ssd/ssd1/www/yeyulingfeng.com/vendor/topthink/framework/src/think/service/ValidateService.php ( 0.99 KB )
  55. /yingpanguazai/ssd/ssd1/www/yeyulingfeng.com/vendor/topthink/framework/src/think/service/ModelService.php ( 2.04 KB )
  56. /yingpanguazai/ssd/ssd1/www/yeyulingfeng.com/vendor/topthink/think-trace/src/Service.php ( 0.77 KB )
  57. /yingpanguazai/ssd/ssd1/www/yeyulingfeng.com/vendor/topthink/framework/src/think/Middleware.php ( 6.72 KB )
  58. /yingpanguazai/ssd/ssd1/www/yeyulingfeng.com/vendor/topthink/framework/src/think/initializer/BootService.php ( 0.77 KB )
  59. /yingpanguazai/ssd/ssd1/www/yeyulingfeng.com/vendor/topthink/think-orm/src/Paginator.php ( 11.86 KB )
  60. /yingpanguazai/ssd/ssd1/www/yeyulingfeng.com/vendor/topthink/think-validate/src/Validate.php ( 63.20 KB )
  61. /yingpanguazai/ssd/ssd1/www/yeyulingfeng.com/vendor/topthink/think-orm/src/Model.php ( 23.55 KB )
  62. /yingpanguazai/ssd/ssd1/www/yeyulingfeng.com/vendor/topthink/think-orm/src/model/concern/Attribute.php ( 21.05 KB )
  63. /yingpanguazai/ssd/ssd1/www/yeyulingfeng.com/vendor/topthink/think-orm/src/model/concern/AutoWriteData.php ( 4.21 KB )
  64. /yingpanguazai/ssd/ssd1/www/yeyulingfeng.com/vendor/topthink/think-orm/src/model/concern/Conversion.php ( 6.44 KB )
  65. /yingpanguazai/ssd/ssd1/www/yeyulingfeng.com/vendor/topthink/think-orm/src/model/concern/DbConnect.php ( 5.16 KB )
  66. /yingpanguazai/ssd/ssd1/www/yeyulingfeng.com/vendor/topthink/think-orm/src/model/concern/ModelEvent.php ( 2.33 KB )
  67. /yingpanguazai/ssd/ssd1/www/yeyulingfeng.com/vendor/topthink/think-orm/src/model/concern/RelationShip.php ( 28.29 KB )
  68. /yingpanguazai/ssd/ssd1/www/yeyulingfeng.com/vendor/topthink/think-helper/src/contract/Arrayable.php ( 0.09 KB )
  69. /yingpanguazai/ssd/ssd1/www/yeyulingfeng.com/vendor/topthink/think-helper/src/contract/Jsonable.php ( 0.13 KB )
  70. /yingpanguazai/ssd/ssd1/www/yeyulingfeng.com/vendor/topthink/think-orm/src/model/contract/Modelable.php ( 0.09 KB )
  71. /yingpanguazai/ssd/ssd1/www/yeyulingfeng.com/vendor/topthink/framework/src/think/Db.php ( 2.88 KB )
  72. /yingpanguazai/ssd/ssd1/www/yeyulingfeng.com/vendor/topthink/think-orm/src/DbManager.php ( 8.52 KB )
  73. /yingpanguazai/ssd/ssd1/www/yeyulingfeng.com/vendor/topthink/framework/src/think/Log.php ( 6.28 KB )
  74. /yingpanguazai/ssd/ssd1/www/yeyulingfeng.com/vendor/topthink/framework/src/think/Manager.php ( 3.92 KB )
  75. /yingpanguazai/ssd/ssd1/www/yeyulingfeng.com/vendor/psr/log/src/LoggerTrait.php ( 2.69 KB )
  76. /yingpanguazai/ssd/ssd1/www/yeyulingfeng.com/vendor/psr/log/src/LoggerInterface.php ( 2.71 KB )
  77. /yingpanguazai/ssd/ssd1/www/yeyulingfeng.com/vendor/topthink/framework/src/think/Cache.php ( 4.92 KB )
  78. /yingpanguazai/ssd/ssd1/www/yeyulingfeng.com/vendor/psr/simple-cache/src/CacheInterface.php ( 4.71 KB )
  79. /yingpanguazai/ssd/ssd1/www/yeyulingfeng.com/vendor/topthink/think-helper/src/helper/Arr.php ( 16.63 KB )
  80. /yingpanguazai/ssd/ssd1/www/yeyulingfeng.com/vendor/topthink/framework/src/think/cache/driver/File.php ( 7.84 KB )
  81. /yingpanguazai/ssd/ssd1/www/yeyulingfeng.com/vendor/topthink/framework/src/think/cache/Driver.php ( 9.03 KB )
  82. /yingpanguazai/ssd/ssd1/www/yeyulingfeng.com/vendor/topthink/framework/src/think/contract/CacheHandlerInterface.php ( 1.99 KB )
  83. /yingpanguazai/ssd/ssd1/www/yeyulingfeng.com/app/Request.php ( 0.09 KB )
  84. /yingpanguazai/ssd/ssd1/www/yeyulingfeng.com/vendor/topthink/framework/src/think/Request.php ( 55.78 KB )
  85. /yingpanguazai/ssd/ssd1/www/yeyulingfeng.com/app/middleware.php ( 0.25 KB )
  86. /yingpanguazai/ssd/ssd1/www/yeyulingfeng.com/vendor/topthink/framework/src/think/Pipeline.php ( 2.61 KB )
  87. /yingpanguazai/ssd/ssd1/www/yeyulingfeng.com/vendor/topthink/think-trace/src/TraceDebug.php ( 3.40 KB )
  88. /yingpanguazai/ssd/ssd1/www/yeyulingfeng.com/vendor/topthink/framework/src/think/middleware/SessionInit.php ( 1.94 KB )
  89. /yingpanguazai/ssd/ssd1/www/yeyulingfeng.com/vendor/topthink/framework/src/think/Session.php ( 1.80 KB )
  90. /yingpanguazai/ssd/ssd1/www/yeyulingfeng.com/vendor/topthink/framework/src/think/session/driver/File.php ( 6.27 KB )
  91. /yingpanguazai/ssd/ssd1/www/yeyulingfeng.com/vendor/topthink/framework/src/think/contract/SessionHandlerInterface.php ( 0.87 KB )
  92. /yingpanguazai/ssd/ssd1/www/yeyulingfeng.com/vendor/topthink/framework/src/think/session/Store.php ( 7.12 KB )
  93. /yingpanguazai/ssd/ssd1/www/yeyulingfeng.com/vendor/topthink/framework/src/think/Route.php ( 23.73 KB )
  94. /yingpanguazai/ssd/ssd1/www/yeyulingfeng.com/vendor/topthink/framework/src/think/route/RuleName.php ( 5.75 KB )
  95. /yingpanguazai/ssd/ssd1/www/yeyulingfeng.com/vendor/topthink/framework/src/think/route/Domain.php ( 2.53 KB )
  96. /yingpanguazai/ssd/ssd1/www/yeyulingfeng.com/vendor/topthink/framework/src/think/route/RuleGroup.php ( 22.43 KB )
  97. /yingpanguazai/ssd/ssd1/www/yeyulingfeng.com/vendor/topthink/framework/src/think/route/Rule.php ( 26.95 KB )
  98. /yingpanguazai/ssd/ssd1/www/yeyulingfeng.com/vendor/topthink/framework/src/think/route/RuleItem.php ( 9.78 KB )
  99. /yingpanguazai/ssd/ssd1/www/yeyulingfeng.com/route/app.php ( 1.72 KB )
  100. /yingpanguazai/ssd/ssd1/www/yeyulingfeng.com/vendor/topthink/framework/src/think/facade/Route.php ( 4.70 KB )
  101. /yingpanguazai/ssd/ssd1/www/yeyulingfeng.com/vendor/topthink/framework/src/think/route/dispatch/Controller.php ( 4.74 KB )
  102. /yingpanguazai/ssd/ssd1/www/yeyulingfeng.com/vendor/topthink/framework/src/think/route/Dispatch.php ( 10.44 KB )
  103. /yingpanguazai/ssd/ssd1/www/yeyulingfeng.com/app/controller/Index.php ( 4.81 KB )
  104. /yingpanguazai/ssd/ssd1/www/yeyulingfeng.com/app/BaseController.php ( 2.05 KB )
  105. /yingpanguazai/ssd/ssd1/www/yeyulingfeng.com/vendor/topthink/think-orm/src/facade/Db.php ( 0.93 KB )
  106. /yingpanguazai/ssd/ssd1/www/yeyulingfeng.com/vendor/topthink/think-orm/src/db/connector/Mysql.php ( 5.44 KB )
  107. /yingpanguazai/ssd/ssd1/www/yeyulingfeng.com/vendor/topthink/think-orm/src/db/PDOConnection.php ( 52.47 KB )
  108. /yingpanguazai/ssd/ssd1/www/yeyulingfeng.com/vendor/topthink/think-orm/src/db/Connection.php ( 8.39 KB )
  109. /yingpanguazai/ssd/ssd1/www/yeyulingfeng.com/vendor/topthink/think-orm/src/db/ConnectionInterface.php ( 4.57 KB )
  110. /yingpanguazai/ssd/ssd1/www/yeyulingfeng.com/vendor/topthink/think-orm/src/db/builder/Mysql.php ( 16.58 KB )
  111. /yingpanguazai/ssd/ssd1/www/yeyulingfeng.com/vendor/topthink/think-orm/src/db/Builder.php ( 24.06 KB )
  112. /yingpanguazai/ssd/ssd1/www/yeyulingfeng.com/vendor/topthink/think-orm/src/db/BaseBuilder.php ( 27.50 KB )
  113. /yingpanguazai/ssd/ssd1/www/yeyulingfeng.com/vendor/topthink/think-orm/src/db/Query.php ( 15.71 KB )
  114. /yingpanguazai/ssd/ssd1/www/yeyulingfeng.com/vendor/topthink/think-orm/src/db/BaseQuery.php ( 45.13 KB )
  115. /yingpanguazai/ssd/ssd1/www/yeyulingfeng.com/vendor/topthink/think-orm/src/db/concern/TimeFieldQuery.php ( 7.43 KB )
  116. /yingpanguazai/ssd/ssd1/www/yeyulingfeng.com/vendor/topthink/think-orm/src/db/concern/AggregateQuery.php ( 3.26 KB )
  117. /yingpanguazai/ssd/ssd1/www/yeyulingfeng.com/vendor/topthink/think-orm/src/db/concern/ModelRelationQuery.php ( 20.07 KB )
  118. /yingpanguazai/ssd/ssd1/www/yeyulingfeng.com/vendor/topthink/think-orm/src/db/concern/ParamsBind.php ( 3.66 KB )
  119. /yingpanguazai/ssd/ssd1/www/yeyulingfeng.com/vendor/topthink/think-orm/src/db/concern/ResultOperation.php ( 7.01 KB )
  120. /yingpanguazai/ssd/ssd1/www/yeyulingfeng.com/vendor/topthink/think-orm/src/db/concern/WhereQuery.php ( 19.37 KB )
  121. /yingpanguazai/ssd/ssd1/www/yeyulingfeng.com/vendor/topthink/think-orm/src/db/concern/JoinAndViewQuery.php ( 7.11 KB )
  122. /yingpanguazai/ssd/ssd1/www/yeyulingfeng.com/vendor/topthink/think-orm/src/db/concern/TableFieldInfo.php ( 2.63 KB )
  123. /yingpanguazai/ssd/ssd1/www/yeyulingfeng.com/vendor/topthink/think-orm/src/db/concern/Transaction.php ( 2.77 KB )
  124. /yingpanguazai/ssd/ssd1/www/yeyulingfeng.com/vendor/topthink/framework/src/think/log/driver/File.php ( 5.96 KB )
  125. /yingpanguazai/ssd/ssd1/www/yeyulingfeng.com/vendor/topthink/framework/src/think/contract/LogHandlerInterface.php ( 0.86 KB )
  126. /yingpanguazai/ssd/ssd1/www/yeyulingfeng.com/vendor/topthink/framework/src/think/log/Channel.php ( 3.89 KB )
  127. /yingpanguazai/ssd/ssd1/www/yeyulingfeng.com/vendor/topthink/framework/src/think/event/LogRecord.php ( 1.02 KB )
  128. /yingpanguazai/ssd/ssd1/www/yeyulingfeng.com/vendor/topthink/think-helper/src/Collection.php ( 16.47 KB )
  129. /yingpanguazai/ssd/ssd1/www/yeyulingfeng.com/vendor/topthink/framework/src/think/facade/View.php ( 1.70 KB )
  130. /yingpanguazai/ssd/ssd1/www/yeyulingfeng.com/vendor/topthink/framework/src/think/View.php ( 4.39 KB )
  131. /yingpanguazai/ssd/ssd1/www/yeyulingfeng.com/vendor/topthink/framework/src/think/Response.php ( 8.81 KB )
  132. /yingpanguazai/ssd/ssd1/www/yeyulingfeng.com/vendor/topthink/framework/src/think/response/View.php ( 3.29 KB )
  133. /yingpanguazai/ssd/ssd1/www/yeyulingfeng.com/vendor/topthink/framework/src/think/Cookie.php ( 6.06 KB )
  134. /yingpanguazai/ssd/ssd1/www/yeyulingfeng.com/vendor/topthink/think-view/src/Think.php ( 8.38 KB )
  135. /yingpanguazai/ssd/ssd1/www/yeyulingfeng.com/vendor/topthink/framework/src/think/contract/TemplateHandlerInterface.php ( 1.60 KB )
  136. /yingpanguazai/ssd/ssd1/www/yeyulingfeng.com/vendor/topthink/think-template/src/Template.php ( 46.61 KB )
  137. /yingpanguazai/ssd/ssd1/www/yeyulingfeng.com/vendor/topthink/think-template/src/template/driver/File.php ( 2.41 KB )
  138. /yingpanguazai/ssd/ssd1/www/yeyulingfeng.com/vendor/topthink/think-template/src/template/contract/DriverInterface.php ( 0.86 KB )
  139. /yingpanguazai/ssd/ssd1/www/yeyulingfeng.com/runtime/temp/8ef20ebb20ac8b82ec5232b0bcb62051.php ( 11.99 KB )
  140. /yingpanguazai/ssd/ssd1/www/yeyulingfeng.com/vendor/topthink/think-trace/src/Html.php ( 4.42 KB )
  1. CONNECT:[ UseTime:0.000628s ] mysql:host=127.0.0.1;port=3306;dbname=no_yeyulingfeng;charset=utf8mb4
  2. SHOW FULL COLUMNS FROM `fenlei` [ RunTime:0.000924s ]
  3. SELECT * FROM `fenlei` WHERE `fid` = 0 [ RunTime:0.000322s ]
  4. SELECT * FROM `fenlei` WHERE `fid` = 63 [ RunTime:0.000288s ]
  5. SHOW FULL COLUMNS FROM `set` [ RunTime:0.000535s ]
  6. SELECT * FROM `set` [ RunTime:0.000206s ]
  7. SHOW FULL COLUMNS FROM `article` [ RunTime:0.000789s ]
  8. SELECT * FROM `article` WHERE `id` = 468919 LIMIT 1 [ RunTime:0.000449s ]
  9. UPDATE `article` SET `lasttime` = 1777086297 WHERE `id` = 468919 [ RunTime:0.000555s ]
  10. SELECT * FROM `fenlei` WHERE `id` = 65 LIMIT 1 [ RunTime:0.000225s ]
  11. SELECT * FROM `article` WHERE `id` < 468919 ORDER BY `id` DESC LIMIT 1 [ RunTime:0.003913s ]
  12. SELECT * FROM `article` WHERE `id` > 468919 ORDER BY `id` ASC LIMIT 1 [ RunTime:0.012472s ]
  13. SELECT * FROM `article` WHERE `id` < 468919 ORDER BY `id` DESC LIMIT 10 [ RunTime:0.006937s ]
  14. SELECT * FROM `article` WHERE `id` < 468919 ORDER BY `id` DESC LIMIT 10,10 [ RunTime:0.000797s ]
  15. SELECT * FROM `article` WHERE `id` < 468919 ORDER BY `id` DESC LIMIT 20,10 [ RunTime:0.000925s ]
0.099845s