
智算中心,即智能计算中心,是聚焦人工智能场景的新型算力基础设施,以强大的计算、存储、网络能力为核心,为 AI 大模型训练、推理及各行业智能化转型提供核心支撑。
其核心优势在于极致算力与全栈赋能:搭载 H100 等高端 GPU 服务器,算力规模达千 P 级,可高效处理千亿参数量模型训练与大规模并发推理任务;配套 PB 级高可靠存储与高速互联网络,保障海量数据安全存储与低延时传输;更构建从开发环境、模型管理到推理部署的全栈平台,降低 AI 应用落地门槛。
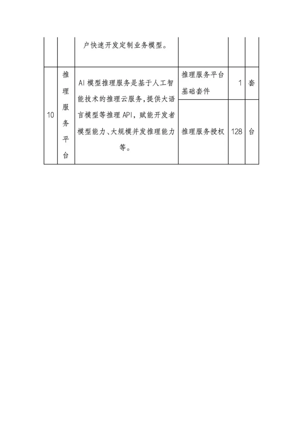
今天分享一篇标准智算中心建设方案,详细写清楚了搭载 128 台 H100 GPU服务器的智算中心该如何设计。包含了算力集群的设计、存储集群的设计、组网的设计、配套安全设备等,最后有设备配置清单表。














































































■
联 系 我 们
C O N T A C T U S
联 系 电 话
Tel:(冯斌)132 4984 3867
官 网 网 站
http://www.goolii.com
全 球 分 公 司
香港丨新加坡丨韩国丨马来西亚丨印尼丨泰国
北京丨广州丨深圳丨东莞丨杭州丨上海丨新疆
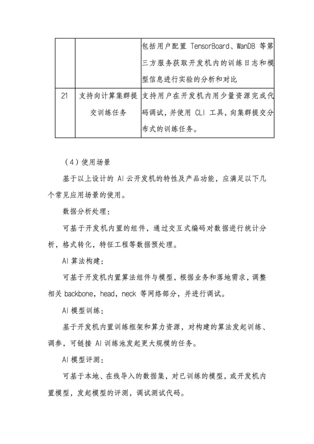
公 司 热 点 新 闻
