

2025年福建省高考物理试卷
一、单项选择题:本题共4小题,每小题4分,共16分。在每小题给出的四个选项中,只有一项是符合题目要求的。
1.山崖上有一个风动石,无风时地面对风动石的作用力是F1,当受到一个水平风力时,风动石依然静止,地面对风动石的作用力是F2,以下正确的是( )

A.F2大于F1
B.F1大于F2
C.F1等于F2
D.大小关系与风力大小有关
2.某理想变压器如图甲,原副线圈匝数比4:1,输入电压随时间的变化图像如图乙,R1的阻值为R2的2倍,则( )

A.交流电的周期为2.5s
B.电压表示数为12V
C.副线圈干路的电流为R1电流的2倍
D.原副线圈功率之比为4:1
3.如图所示,空间中存在两根无限长直导线L1与L2,通有大小相等,方向相反的电流。导线周围存在M、O、N三点,M与O关于L1对称,O与N关于L2对称且OM=ON,初始时,M处的磁感应强度大小为B1,O点磁感应强度大小为B2,现保持L1中电流不变,仅将L2撤去,求N点的磁感应强度大小( )

A.
B.
C.B2﹣B1D.B1﹣B2
4.某种静电分析器简化图如图所示,在两条半圆形圆弧板组成的管道中加上径向电场。现将一电子a自A点垂直电场射出,恰好做圆周运动,运动轨迹为ABC,半径为r。另一电子b自A点垂直电场射出,轨迹为弧APQ,其中PBO共线,已知BP电势差为U,|CQ|=2|BP|,a粒子入射动能为Ek,则( )

A.B点的电场强度
B.P点场强大于C点场强
C.b粒子在P点动能小于Q点动能
D.b粒子全程的克服电场力做功小于2eU
二、双项选择题:本题共4小题,每小题6分,共24分。每小题有两项符合题目要求,全部选对的得6分,选对但不全的得3分,有选错的得0分。
5.春晚上转手绢的机器人,手绢上有P、Q两点,圆心为O,,手绢做匀速圆周运动,则( )

A.P、Q线速度之比为
B.P、Q角速度之比为
C.P、Q向心加速度之比为
D.P点所受合外力总是指向O
6.核反应方程为
→
+17.6MeV,现真空中有两个动量大小相等,方向相反的氘核与氚核相撞,发生核反应,设反应释放的能量几乎转化为
与
的动能,则( )
A.该反应有质量亏损
B.该反应为核裂变
C.
获得的动能约为14MeV
D.
获得的动能约为14MeV
7.空间中存在垂直纸面向里的匀强磁场B与水平向右的匀强电场E,一带电体在复合场中恰能沿着MN做匀速直线运动,MN与水平方向呈45°,NP水平向右。带电量为q,速度为v,质量为m,当粒子到N时,撤去磁场,一段时间后粒子经过P点,则( )

A.电场强度为
B.磁场强度为
C.NP两点的电势差为
D.粒子从N→P时距离NP的距离最大值为
8.传送带转动的速度大小恒为1m/s,顺时针转动,物块A,B中间有一根轻弹簧,A的质量为1kg,B的质量为2kg,A与传送带的动摩擦因数为0.5,B与传送带的动摩擦因数为0.25.t=0时,A速度为v0=2m/s,B的速度为零。在t=t0时,A与传送带第一次共速,此时弹簧弹性势能Ep=0.75J,传送带足够长,A可留下痕迹,则( )

A.在t=
时,B的加速度大小大于A的加速度大小
B.t=t0时,B的速度为0.5m/s
C.t=t0时,弹簧的压缩量为0.2m
D.0﹣t0过程中,A与传送带的痕迹小于0.05m
三、填空题
9.洗衣机水箱的导管内存在一竖直空气柱,根据此空气柱的长度可知洗衣机内的水量多少。当空气柱压强为p1时,空气柱长度为L1,水位下降后,空气柱温度不变,空气柱内压强为p2,则空气柱长度L2= ,该过程中内部气体对外界 。(填做正功,做负功,不做功)

10.沙漠中的蝎子能感受来自地面震动的纵波和横波,某波源同时产生纵波与横波,已知纵波速度大于横波速度,频率相同,则纵波波长 横波波长。若波源震动后,蝎子感知到来自纵波与横波的振动间隔Δt,纵波速度v1,横波速度v2,则波源与蝎子的距离为 。
11.两个点电荷Q1与Q2静立于竖直平面上,于P点放置一检验电荷恰好处于静止状态,PQ1与Q1Q2夹角为30°,PQ1⊥PQ2,则Q1与Q2电量之比为 ,在PQ1连线上是否存在其它点能让同一检验电荷维持平衡状态 (存在,不存在)。

四、实验题
12.(1)为测糖水的折射率与浓度的关系,设计如下实验:某次射入激光,测得数据如图,则糖水的折射率为 。

(2)改变糖水浓度,记录数据如表
n | 1.32 | 1.34 | 1.35 | 1.38 | 1.42 |
y(%) | 10% | 20% | 30% | 40% | 50% |
将30%的数据绘图,求得糖水浓度每增加10%,折射率的增加值为 (保留两位有效数字)。
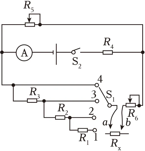
13.用等效替代法测待测电阻,R5为R6的滑动变阻器,最大阻值为100Ω,E=1.5V,电流表A量程30mA,R1=R2=R3=R4=100Ω,可轻转开关S1于1﹣4号,R6可读数。

(1)将实物图连接完整。
(2)某时刻电流表读数如图,电流为 mA。

(3)将开关S2闭合,S1指向1处,表笔ab短接,调节R5,让R6调至最大值,电流表读数为(2)中的值,为I0,现将Rx接入ab间,R6滑片不变,发现S1拨1、2处时,A的示数均小于I0,S1拨3处时,A的示数大于I0,则Rx的阻值位于 (0﹣100;100﹣200;200﹣300;300﹣400)之间。
(4)现将S1拨于 处,R5调为55Ω时,A为基准值,则Rx= 。
(5)下列哪些问题会造成本次实验误差 ___________ 。
A.A的内阻被忽略


通过网盘分享的文件:【免费下载】高考真题【福建】2025年高考福建物理高考真题文档版word版含解析学生版教师版
链接: https://pan.baidu.com/s/1z_jnGejhu0FUb_8OsBK2AA?pwd=4321 提取码: 4321
--来自百度网盘超级会员v8的分享